Zgłoś uwagę

Wentylatory

EPND

EPND 280-4 RD

EPND 280-4 RD

B07-28014

Cechy główne
  • Zasilanie [V] : 400
  • Częstotliwość [Hz] : 50
  • Moc znamionowa (pobór) [kW] : 0,250
  • Prąd znamionowy [A] : 0,75
  • Obroty [min⁻¹] : 1330
Zapytaj o cenę

Właściwości i wykonanie

Wentylator przystosowany jest do transportowania lekko zabrudzonego powietrza i agresywnych mediów, takich jak np. opary kwasów czy rozpuszczalników.
Dlatego znajduje zastosowanie w instalacjach wyciągowych w petrochemiach, zakładach tekstylnych, drukarniach, laboratoriach, pralniach itp.
Przejście wału silnika zabezpieczone jest uszczelką wykonaną ze specjalnego chemoodpornego tworzywa o nazwie Viton (fluoroelastomer). Konwencjonalny silnik zastosowany do napędu wirnika spoczywa na konsoli wykonanej z nierdzewnej blachy stalowej.
Wentylator moze być montowany zarówno wewnątrz, jak i na zewnątrz budynków. Przeznaczony jest do pracy ciągłej.

Obudowa

Jednowlotowa obudowa z trudnopalnego polipropylenu PPs-el posiada znormalizowane króćce przyłączeniowe, zgodne z normami DIN. Konstrukcja wentylatora umożliwia łatwy demontaż silnika bez potrzeby odłączania go od systemu kanałów. Pomiędzy obudową i konsolą montażową silnika znajduje się polietylenowa uszczelka piankowa.

Wirnik

Koło wirnikowe wysokiej sprawności, z łopatkami wygiętymi do tyłu, wykonane jest z tworzywa sztucznego PP. Od strony wlotu piasta zabezpieczona jest dyskiem ze stali nierdzewnej (1.4571).
Zespół wirnik-silnik wyważany jest statycznie i dynamicznie, zgodnie z normą DIN ISO 1940 w klasie G 2.5.

Figura wentylatora i kierunek obrotów

Wentylator produkowany jest w wersji LG (według EUROVENT), oznaczającą kierunek obrotów wirnika w lewo (przeciwnie do ruchu wskazówek zegara). Regulacja pozycji wlotu odbywa się co 45°.

Podłączenie elektryczne

Podłączenia zasilania dokonuje się przez puszkę podłączeniową, wykonaną w klasie szczelności IP55. Puszka umieszczona jest przy silniku.
Wentylator powinien zostać podłączony zgodnie ze znajdującym się w puszce schematem oraz zgodnie z obowiązującymi przepisami bezpieczeństwa.

Silnik

Napęd wentylatora stanowi 2-biegunowy, trójfazowy silnik konwencjonalny IEC typu B3, o regulowanej częstotliwościowo (przetwornicą częstotliwości) prędkości obrotowej, wykonany w klasie szczelności IP55.
Izolacja uzwojenia odpowiada klasie F i dodatkowo jest impregnowana przed wilgocią. Silnik umieszczony jest poza strumieniem przepływającego medium.

Zabezpieczenie termiczne silnika

Kontrola temperatury uzwojenia realizowana jest poprzez wbudowany czujnik termistorowy typu PTC (zgodnie z normą DIN 44081), którego opór rośnie wraz ze wzrostem temperatury uzwojenia.
Końcówki czujnika wyprowadzone są na listwę zaciskową silnika i wymagają prawidłowego podłączenia do zewnętrznego przekaźnika ochrony termicznej.
Do styków wyjściowych podłączany jest następnie konwencjonalny stycznik odcinający zasilanie silnika.
Prawidłowe podłączenie pozystorów zabezpiecza silnik przed przeciążeniem, skutkiem zaniku jednej z faz, nagłym zahamowaniem silnika oraz wysokimi temperaturami przepływającego czynnika.
Brak właściwego urządzenia ochronnego stanowi podstawę do oddalenia reklamacji w przypadku spalenia silnika. .

Status ErP

Wentylator nie podlega Dyrektywie ErP (2009/125/WE).

Zasilanie [V] 400
Częstotliwość [Hz] 50
Moc znamionowa (pobór) [kW] 0,250
Prąd znamionowy [A] 0,75
Obroty [min⁻¹] 1330
Maks. temp. medium [°C] 60
Klasa szczelności silnika IP55
Rodzaj silnika konwencjonalny (IEC)
Kondensator [μF] 0,0
Stosunek prądu rozruchowego do znamionowego 5,2
Regulacja tyrystorowa (bezstopniowa) nie
Regulacja transformatorowa (stopniowa) nie
Regulacja przetwornicą częstotliwości tak
Izolacja akustyczna nie
Łopatki wirnika do tyłu
Wersja EX nie
Odporność na wysokie temperatury nie
Chemoodporność tak
Schemat podłączeniowy 01.430
Masa [kg] 21,50

Katalog

  • Wentylatory chemoodporne (PDF)Pobierz

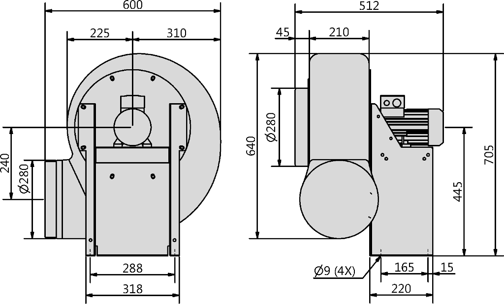
Dane wymiarowe

Charakterystyka

Schemat podłączeniowy

Deklaracja

  • Deklaracja Producenta (PDF)Pobierz
  • Deklaracja Zgodności (PDF)Pobierz

Gwarancja

  • Ogólne warunki gwarancji (PDF)Pobierz

Instrukcja

Protokoły i formularze

Procedury i wytyczne

  • Procedura uruchamiania wentylatora (PDF)Pobierz
  • Zabezp. termiczne oraz regulacja wentylatorów Rosenberg (PDF)Pobierz
  • Obsługa bieżąca urządzeń produkcji Rosenberg (PDF)Pobierz